29+ Stihl Fs45 Parts Manual Pdf

Ad Did You Check eBay. Web Stihl Service and Parts Manuals PDF Downloads.


Stihl Fs 45 46 Instruction Manual Manual De Instrucciones

Stihl weedeater manual fs 45 free pdf instructions.

. Web Installation - Fit snap ring B8x07 so that its gap is on the vertical axis of the piston. Ad Download Manuals PDF files on the internet quickly and easily. Web Whats covered in the Stihl FS 46 Workshop Manual.

Web STIHL FS 45 View and Download Stihl FS 45 instruction manual online. Web Page 37 English Definitions 13 Starter Grip The grip of the pull starter for Specifications 1. Web See section of your owners manual on the proper use of the slide control.

Web View the Stihl FS 45 manual for free or ask your question to other Stihl FS 45 owners. Fill Your Cart With Color Today. Web Select a page from the Stihl FS 45 Brushcutter diagram to view the parts list and.

Web Stihl Fs45 Parts Manual PDF Book Details. Product details Publisher. Ad All your instructions online with over 1000 different brands to choose from.

Web 29 Stihl Fs45 Parts Manual Pdf Kamis 22 Desember 2022 Edit. Web Stihl fs90r parts manual pdf Bringing you closer to the people and things you love. Jump to Latest Follow 1.


Stihl Zapchasti Kupit Fs 45 C Hvostovik Rukoyatka Shtanga Val V Spb Dostavka Po Rossii


Stihl Fs 45 Trimmer Service Repair Manual


Stihl Fs 45 Trimmer Service Repair Manual


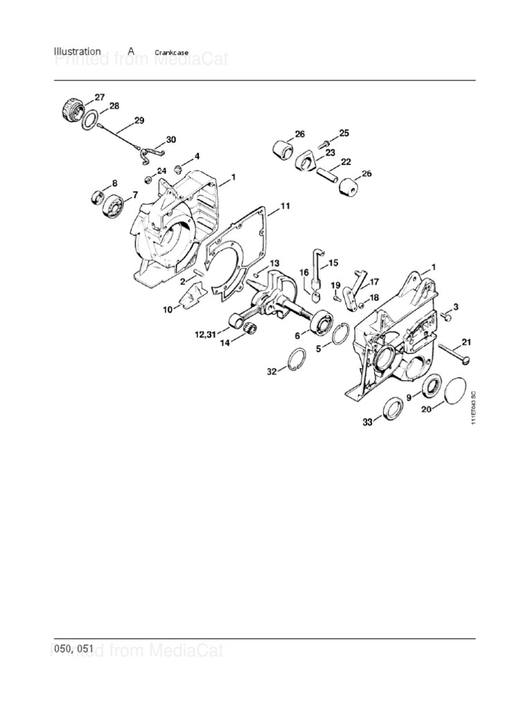
Stihl Fs 45 Brushcutter Fs45 Parts Diagram A Crankcase Cylinder


Stihl Fs 45 Brushcutter Fs45 Z Parts Diagram Drive Tube Assembly Loop Handle


Stihl Fs38 Fs45 Fs46 Brushcutter Parts Stihl Brushcutter Fs Parts Stihl Brushcutter Parts Brushcutter Trimmer Parts Garden Forestry Parts Plant Spares L S Engineers


Stihl Fs 45 Brushcutter Fs45 Z Parts Diagram Crankcase Cylinder


Stihl Fs 45 Trimmer Service Repair Manual


Stihl Fs45 Carburetor Repair Youtube


Stihl Fs 45 46 Spare Parts List 4140 Ebay


Stihl Fs 94 Rc E Professional Brushcutter The Chain Saw Centre


Stihl Autocut C 5 2 Stihl Polycut 6 3 Shaft And Head Stihl Fs 45 Product Instruction Manual Page 20


Stihl Fs Series 4mix Trimmer Weed Eater Repair How To Replace A Broken Throttle Trigger Youtube


Stihl Ms 151 T Spare Parts Skyland Equipment Ltd


050 051 Pdf Piston Internal Combustion Engine


Stihl Fs Online Kaufen Ebay


Solved I Have A Stihl Fs45c Trimmer The Drive Shaft Fell Fixya

Iklan Atas Artikel

Iklan Tengah Artikel 1

Iklan Tengah Artikel 2

Iklan Bawah Artikel